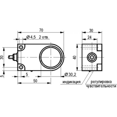
| Габариты | 40х30х70 |
| рабочий зазор | 0...1,2 мм |
| Тип контакта | NPN Замыкающий |
| напряжение | 10...30 В DC |
Индуктивный датчик (индуктивный бесконтактный выключатель) ISB R1A5-32N-R30-LZ при появлении объекта воздействия в чувствительной зоне коммутирует электрическую цепь исполнительного устройства. Для срабатывания индуктивного датчика непосредственного соприкосновения с контролируемым объектом не требуется.
При появлении в чувствительной зоне датчика (сенсора) объекта воздействия из любого металла происходит демпфирование электромагнитного поля, амплитуда колебаний генератора уменьшается, срабатывает пороговое устройство (триггер) и электронный ключ датчика переключается.
| Корпус | |
| Габариты | 40х30х70 |
| рабочий зазор | 0...1,2 мм |
| Материал корпуса | Д16Т |
| Присоединение/подключение | Кабель 3х0,34 кв. мм |
| Электрические параметры | |
| Тип контакта | NPN Замыкающий |
| напряжение | 10...30 В DC |
| Падение напряжения | ≤2,5 В |
| ток нагрузки | 400 мА |
| Максимальная частота | 600 Гц |
| световая индикация | Есть |
| комплексная защита | Есть |
| Условия эксплуатации | |
| Степень защиты по ГОСТ 14254-96 | IP65 |
| Температурный диапазон | -25°С...+80°С |



