e-m@il: ansid@ansid.by
мобильный:
8-029 632 15 86
телефон:
8-017-215-01-80
Товаров 0 (0.00бел.руб)
Ваша корзина пуста!
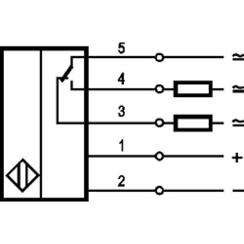
Фотобарьер RPJ2-56-20-10
Оптические датчики
Фотобарьеры
Фотобарьер RPJ2-56-20-10
Описание
Характеристики
Документация
Задать вопрос
Описание
Характеристики
Документация
Задать вопрос
Паспорт Фотобарьер RPJ2-56-20-10
Условия эксплуатации
Температурный диапазон
0°С...+60°С
Задать вопрос/ Сделать заказ/ Свяжитесь со мной
Ваше имя:
Ваше сообщение:
Добрый день, я заинтересован в вашем товаре. Мой контакт: телефон mail: С уважением
Только спросить
RPJ2-56-20-10
15803
Производитель:
Teko
Цена с НДС за 1шт:
запросить